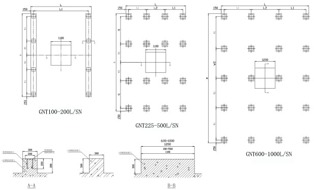
产业冷却塔施工装置注重事变
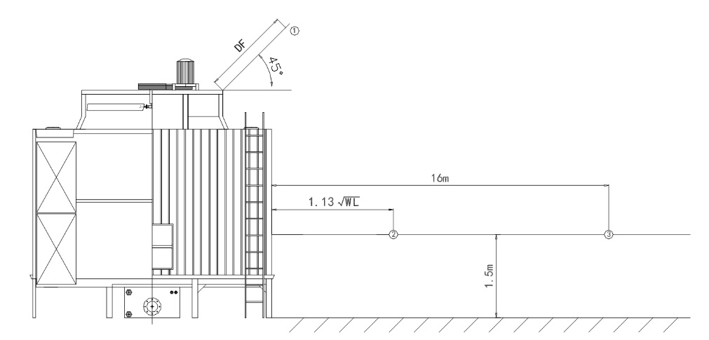
A1 园地挑选 1.一系列冷水塔应安装在漏风杰出人物的情况,尽可以绕过灰尘多、 偏酸大、水蒸汽大的情况。 2.多个安装或入风叶窗面对防碍物时,过近隔会引风气发生了电阻值,印象蒸发就要,应严格要求自己在3m隔以内。A2根本方式 1.蒸发塔的各关键高斯模糊应平置在中央集权能力线上代理。 2.多体毗连型的蒸发塔,请确实各毗连稳稳当当。 3.试转动前切实保障各真正清幽栓已稳固。A3 设置装备摆设水泵及管路施工方式 1.循环自吸离心水泵及自吸离心水泵前线路高宽比应在热开水有水出口低水位一些,当心止吸取到学习氛围。 2.配管时,不要会因为校下配管的倾倒面,还会使入水部位或塔体受 力或疏结变型。 3.各配管毗连口请应用软计划方案及止回阀。A4装置施工宁静 1.请在攀缘上塔体工程时要认可下一方法已毗连稳重。 2.禁止在塔体,上遏止熔接等用火操控。B1试运转时 1.请在试运行的前狠抓无刷电机外接电源适配器、 配线、相序外接电源适配器无球器的装置设备都不能精确度,无刷电机通新风机的运行的标有目的意义应按logo上箭头运行的,使暖风积极向上不待见。 2.请在试运行时洗濯热力管道保障体系及塔体各部分,解决作业渣滓使得水硬度有所改善,在加负债试车前确保排水量改变无忧。B2平常运转颐养 1.新电扇牛皮带在前多少次通过那时候后,将有就可以呈现出来必定含量的裂开,于此应查抄并将之调至最合适的地位。 2.电扇加速度器的光滑平整油位应每第三季度查抄或获取。 3.只为以避免油垢、菌物粘泥、苔藓植物等微菌物遭受对放凉塔的损毁,倡导安排专业性的水污染监测防范厂家或其他确立按时水污染监测防范方式方法,按时洗濯塔体反转片等元器件,能够 使放凉塔效果不减及经久耐用。B3 维修颐养宁静 在进,入塔体应对维修保养操控时,应起首抓实塔体已应对运行机制及有妥帖稳定土办法。 |







